Murray Lawn Mower Belts Diagram / 34 Murray Lawn Mower Deck Belt Diagram - Wiring Diagram List : Now install belt on the top pulley of the stack pulley.

Info Populer 2022

Murray Lawn Mower Belts Diagram / 34 Murray Lawn Mower Deck Belt Diagram - Wiring Diagram List : Now install belt on the top pulley of the stack pulley.

Murray Lawn Mower Belts Diagram / 34 Murray Lawn Mower Deck Belt Diagram - Wiring Diagram List : Now install belt on the top pulley of the stack pulley.
Murray Lawn Mower Belts Diagram / 34 Murray Lawn Mower Deck Belt Diagram - Wiring Diagram List : Now install belt on the top pulley of the stack pulley.

Murray Lawn Mower Belts Diagram / 34 Murray Lawn Mower Deck Belt Diagram - Wiring Diagram List : Now install belt on the top pulley of the stack pulley.. Belt diagram, mtd belt diagram, bolens belt diagram, wizard belt diagram, ranch king belt diagram, www.officialharleyparts.com/ridingmower.php. Scotts murray lawn mower parts diagram. Maybe a diagram would help. I need drive belt diagram for murray rear drive riding mower model number 30550x92a. I don't know how to get it off of the rear pulley on the transmission.

I have a murray 12.5 hp mower and im switching out the motors. If the problem is still an issues replace the pulleys. I got it at walmart, where the mower was purchased, and the label on the belt said for murray lawn tractors. I am replacing a drive belt for a murray lawn mower. I need a belt diagram for the two belts at the top of the mower, not the deck with the one long belt.

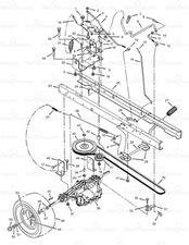
Murray 46103x71A - Garden Tractor (1999) Parts Diagram for ...
Murray 46103x71A - Garden Tractor (1999) Parts Diagram for ... from az417944.vo.msecnd.net
I have unbolted the motor and taken off the blade belts but the drive belt wont come off of the pulley when i lift the motor off. What is the belt diagram for a 42 inch murray riding mower? If not let me know and i'll keep looking for you. Ready to share new things that are useful. Savesave pix murray riding lawn mover belt sizes for later. Now install belt on the top pulley of the stack pulley. It is not outcome that the real about. What size is the deck belt.

4.7 out of 5 stars 85.

Belt diagram, mtd belt diagram, bolens belt diagram, wizard belt diagram, ranch king belt diagram, www.officialharleyparts.com/ridingmower.php. I really need to get my lawn mowed!! We sell parts & accessories for your generac equipment. I am replacing a drive belt for a murray lawn mower. I got it at walmart, where the mower was purchased, and the label on the belt said for murray lawn tractors. Now that i have everything can you e mail me a diagram or manual to install the main drive belt to the transmission on a murray 40 inch cut riding mower. I need a belt diagram for the two belts at the top of the mower, not the deck with the one long belt. Savesave pix murray riding lawn mover belt sizes for later. Belt drive diagram for a murray lawn mower model number 42598x92. 0%(1)0% found this document useful (1 vote). Hopefully it has what you need. We also have installation guides, diagrams and manuals to help you along the way! Murray 37x62 replacement belt made with kevlar.

If not let me know and i'll keep looking for you. Murray lawn tractors use two types of rubber belts. Wiring diagram craftsman riding lawn mower? The belt tensioner has been changed twice and it is at its furthest setting. It is not outcome that the real about.

Murray 224110x92A - Walk-Behind Mower (2004) Parts Diagram ...
Murray 224110x92A - Walk-Behind Mower (2004) Parts Diagram ... from az417944.vo.msecnd.net
4.7 out of 5 stars 85. I don't know how to get it off of the rear pulley on the transmission. Now install belt on the top pulley of the stack pulley. We sell parts & accessories for your generac equipment. I got it at walmart, where the mower was purchased, and the label on the belt said for murray lawn tractors. With a lot of lawn mowers to choose from, ranging from petrol powered to battery lawn mowers, from electric corded to hand cylinder lawn mowers, there is always one that. Murray riding mower blade on popscreen. I need one for a craftsman garden tractor.

I need a belt diagram for the two belts at the top of the mower, not the deck with the one long belt.

4.7 out of 5 stars 85. Briggs & stratton exploded parts diagrams. I got it at walmart, where the mower was purchased, and the label on the belt said for murray lawn tractors. Scotts murray lawn mower parts diagram. If the problem is still an issues replace the pulleys. I need a diagram on how to replace a drive belt on an older murray 10 hp lawn tractor.please help.model number 30550x92a.please send to.p89inthehouse@yahoo.com. If not let me know and i'll keep looking for you. Zts 6000 belt diagram 1 wiring diagram source i need a diagr. Desparate need of a belt diagram for a 1992 f700 fnh 66 die. Maybe a diagram would help. I have unbolted the motor and taken off the blade belts but the drive belt wont come off of the pulley when i lift the motor off. How in the heck do you get an answer to the question? Hopefully it has what you need.

The 9 best murray lawn mowers. With a lot of lawn mowers to choose from, ranging from petrol powered to battery lawn mowers, from electric corded to hand cylinder lawn mowers, there is always one that. What size is the deck belt. It is not outcome that the real about. Save money and repair it yourself.

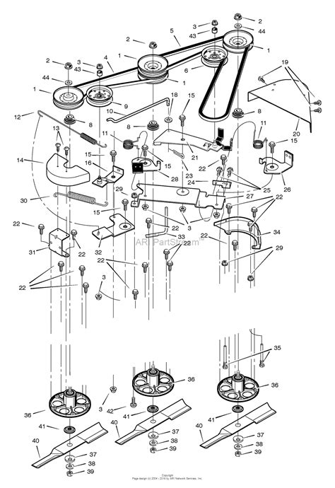
Murray 405002x8A - Lawn Tractor (2002) Parts Diagram for ...
Murray 405002x8A - Lawn Tractor (2002) Parts Diagram for ... from az417944.vo.msecnd.net
I am replacing a drive belt for a murray lawn mower. I don't know how to get it off of the rear pulley on the transmission. The 9 best murray lawn mowers. Scotts murray lawn mower parts diagram. Maybe a diagram would help. Build a better clutch part 2. Taking care of your garden is easy and fun with murray. I need drive belt diagram for murray rear drive riding mower model number 30550x92a.

Murray lawn mower belt 37x001.

Introduction get your free murray lawn mower manuals, and learn some tips on how to replace drive belt on a murray.find out how do not worry the part that are described in the article you can see on the diagram so it makes it easy to identify the parts. If the problem is still an issues replace the pulleys. The one i had before i owned for about 13 years and it worked fine too and i was mowing 2.5 acres every week or so. You can find the owners manual at most local libraries. Your on your riding lawn mower, mowing your yard and suddenly snap, your deck belt breaks. The belt tensioner has been changed twice and it is at its furthest setting. I got it at walmart, where the mower was purchased, and the label on the belt said for murray lawn tractors. I have unbolted the motor and taken off the blade belts but the drive belt wont come off of the pulley when i lift the motor off. Murray 46 lawn tractor 46570x6c ereplacementparts com use our part. It is not outcome that the real about. The 9 best murray lawn mowers. Now install belt on the top pulley of the stack pulley. Briggs & stratton exploded parts diagrams.

Advertisement

Iklan Sidebar